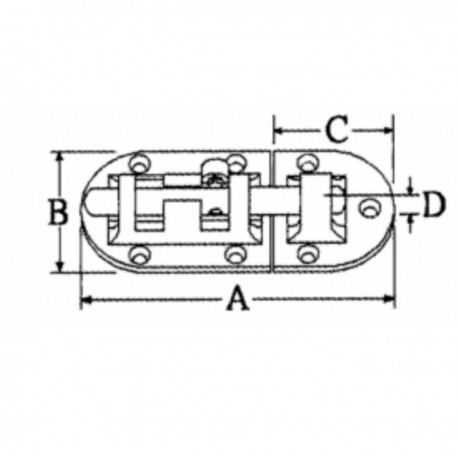
AISI 316 stainless steel deadbolt with anti-vibration bushing

AISI 316 stainless steel deadbolt with anti-vibration bushing

Purchased together

Alternative products

Reviews

_

Popular products in recent days

Don't miss our bestsellers

Product added to wishlist
Product added to compare.