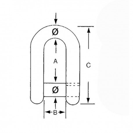
Grillo dritto extralarge in acciaio inox AISI 316

Grillo dritto extralarge in acciaio inox AISI 316

Prodotti alternativi

Dettagli Aggiuntivi

Recensioni

_

Prodotti popolari negli ultimi giorni

Non perderti i nostri bestseller

Prodotto aggiunto alla tua lista dei desideri
Prodotto aggiunto al comparatore