Search
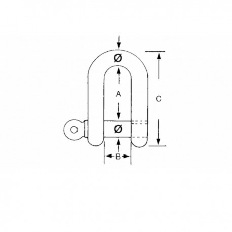
Grillete recto de acero inoxidable AISI 316.
Comprados juntos
Productos alternativos
Productos populares en los últimos días
No se pierda nuestros productos más vendidos
Save products on your wishlist to buy them later or share with your friends.